Ningbo Bell Industrial Cabinet Lock Co., Ltd. specializes in the production of high and low voltage switch cabinet locks, chassis cabinet locks, instrument cabinet locks, communication cabinet locks, electronic locks and hinges, handles,limit devices, cabinet lock accessories and other products

Ningbo Bell Industrial Cabinet Lock Co., Ltd. specializes in the production of high and low voltage switch cabinet locks, chassis cabinet locks, instrument cabinet locks, communication cabinet locks, electronic locks and hinges, handles,limit devices, cabinet lock accessories and other products

Ningbo Bell Industrial Cabinet Lock Co., Ltd.
Address:No.13, Shuijia Village Industrial Zone, Hengjie Town, Haishu District, Ningbo City
TEL:15988648988 0574-88283291/88283292
FAX:0574-83860199
Email:nbbell8@163.com
1688:shop1468256618956.1688.com
Post :315181
WEB:www.bellsuo.com

产品信息
PRODUCT

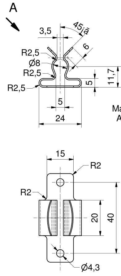
DK1015

DK1015
Material: round brace carbon steel, card seat manganese steel
Surface treatment: Galvanized steel
Structure description: When the door is opened, the strut plays a supporting role

产品详情
  • 图纸资料
  • 技术规格书
  • 功能标记
  • TEL
    021-61639081
  • Messages
  • Wechat